УльтраСтар - Автомобильные Системы Охраны, Системы Безопасности

StarLine A94 (Toyota-Corolla, МКПП, 2008 г.в.)

Форум только для тех, кто устанавливает самостоятельно (не установщики).
Консультация установщиков категорически запрещена!

StarLine A94 (Toyota-Corolla, МКПП, 2008 г.в.)

Сообщение much_beer » Сб 17 авг, 2013 23:41

Всех приветствую!
В связи с опасностью попасть под работу кодграббера, решил поменять сигнализацию.
Старую демонтировал, планирую поставить новую. Возникли вопросы. Всех откликнувшихся, заранее благодарю ;)
И так инфа:
Автомобиль - Toyota-Corolla, МКПП, 2008 г.в., без кнопки старт;
Сигнализация - StarLine A94 CAN

Подскажите по вопросaм:
1. Раньше стояла сигналка "Шерхан-5" и реализация схемы блокировки была - разрыв цепи "зажигание".
Сейчас ставлю Старлайн-А94, в которой есть вход "контроль зажигания".
Получается, что это реле, которое стояло раньше и размыкало цепь зажигания, нет смысла оставлять, т.к. сама сигналка будет контролировать/блокировать цепь "зажигание" и реле лучше поставить на другую цепь (бензонасос, например).
Правильно или?

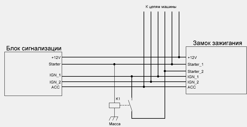
2. В силовом модуле есть следующие провода:
+12
зажигание
зажигание 1
программный выход
выход на стартер

Правильно ли я их понял:
+12 (постоянный плюс)
зажигание (где + 12 НЕ пропадает при вращении стартера)
зажигание 1 (где + 12 пропадает при вращении стартера, он же АСС)
программный выход (не подключать)
выход на стартер (на стартер)

3. Как лучше организовать блокировку (знаю только провод бензонасоса, который светлозеленый. может еще, что посоветуете).
Стартер, говорят, смысла блокировать нет (с толкача заведут...) :(

4. Серо-черный провод это вход контроля работы двигателя.
Сигнал для него, можно взять в диагностическом разъеме (пин 9, серый провод). Правильно, вроде?
Т.е. получается, его надо подключать, и по CAN он НЕ контролируется?
Если так, то настройки будут по "+" генератора?
Как правильней настроить этот контроль, чтоб и в мороз докручивал и в жару не перекручивал?

5. Прочитал, что в замке зажигания два провода на стартер. Одни говорят - не скручивать их вместе, другие - цеплять к одному, а еще одни - через цеплять второй через дополнительное реле. Как сделать будет правильней?
much_beer
 
Сообщения: 15
Зарегистрирован: Сб 17 авг, 2013 23:22
Откуда: Кузбассград
Система: starline a94
Модель авто: toyota-corolla
Год выпуска: 2008
Двигатель: 1,6
Тип КПП: МКПП
Статус: пользователь

Re: StarLine A94 (Toyota-Corolla, МКПП, 2008 г.в.)

Сообщение alec67 » Вс 18 авг, 2013 0:36

Добрый вечер!
much_beer писал(а):В связи с опасностью попасть под работу кодграббера, решил поменять сигнализацию.
much_beer писал(а): Раньше стояла сигналка "Шерхан-5"

Правильное решение!
much_beer писал(а):Получается, что это реле, которое стояло раньше и размыкало цепь зажигания, нет смысла оставлять, т.к. сама сигналка будет контролировать/блокировать цепь "зажигание" и реле лучше поставить на другую цепь (бензонасос, например).
Правильно или?

1 На Ваше усмотрение! Внешняя блокировка может быть использована на любую цепь. Внутренней на А94 нет.
2 Давайте я Вам карты монтажа скину на почту, проще будет :wink:
3 На усмотрение....
4 Контроль работы двигателя на Вашем авто видно по КАН http://can.starline.ru Аналогом подключать не нужно.
5 Стартер1 и Стартер2 не объединяют, развяжите их по схеме
Вложения
Подключение второго стартера1.GIF
Подключение второго стартера1.GIF (7.94 КБ) Просмотров: 15499
С уважением! Александр.
Аватара пользователя
alec67
 
Сообщения: 2546
Зарегистрирован: Пн 18 апр, 2011 19:49
Откуда: Мирный, Архангельская область
Система: Е90GSM\GPS Телематика 2.0
Модель авто: ВАЗ21099i
Год выпуска: 2003
Двигатель: 2111 бензин
Тип КПП: МКПП
Статус: установщик

Re: StarLine A94 (Toyota-Corolla, МКПП, 2008 г.в.)

Сообщение much_beer » Вс 18 авг, 2013 7:51

сообщение получено
Последний раз редактировалось much_beer Пн 19 авг, 2013 7:26, всего редактировалось 1 раз.
much_beer
 
Сообщения: 15
Зарегистрирован: Сб 17 авг, 2013 23:22
Откуда: Кузбассград
Система: starline a94
Модель авто: toyota-corolla
Год выпуска: 2008
Двигатель: 1,6
Тип КПП: МКПП
Статус: пользователь

Re: StarLine A94 (Toyota-Corolla, МКПП, 2008 г.в.)

Сообщение much_beer » Пн 19 авг, 2013 7:26

сигналка установлена.
есть несколько моментов:
по can-шине нет контроля капота (я концевика-то не нашел), хотя в спецификации это заявлено.
прокинул аналог (отключив контроль в настройке can)

при опущенных стеклах и постановке на охрану - стекла не поднимает, а вот при опущенных стеклах, подготовке к автозапуску и постановке на охрану (тут стекла не поднимает) и произведении самого автозапуска - поднимает. (закрывает стекла перед автозапуском двигателя).

первый автозапуск - сработала сирена. последующие - все норм.

есть мысли?

ПС: благодарю за помощь!
much_beer
 
Сообщения: 15
Зарегистрирован: Сб 17 авг, 2013 23:22
Откуда: Кузбассград
Система: starline a94
Модель авто: toyota-corolla
Год выпуска: 2008
Двигатель: 1,6
Тип КПП: МКПП
Статус: пользователь

Re: StarLine A94 (Toyota-Corolla, МКПП, 2008 г.в.)

Сообщение much_beer » Вт 20 авг, 2013 9:48

периодически срабатывает датчик наклона.
настройки чуйки по умолчанию
закреплен горизонтально за зеркалом (на "шелкографию"), 6 см от верха, антенной налево (смотреть с места водителя).

что может быть?
much_beer
 
Сообщения: 15
Зарегистрирован: Сб 17 авг, 2013 23:22
Откуда: Кузбассград
Система: starline a94
Модель авто: toyota-corolla
Год выпуска: 2008
Двигатель: 1,6
Тип КПП: МКПП
Статус: пользователь

Re: StarLine A94 (Toyota-Corolla, МКПП, 2008 г.в.)

Сообщение alec67 » Вт 20 авг, 2013 16:56

Добрый день!
Сегодня ночью ставил А94GSM на Короллу 2012, МКПП, ключ.
much_beer писал(а):по can-шине нет контроля капота (я концевика-то не нашел), хотя в спецификации это заявлено.

Штатного концевика капота в этих комплектациях нет
much_beer писал(а):при опущенных стеклах и постановке на охрану - стекла не поднимает, а вот при опущенных стеклах, подготовке к автозапуску и постановке на охрану (тут стекла не поднимает) и произведении самого автозапуска - поднимает. (закрывает стекла перед автозапуском двигателя).

Аналогично. Только в моем случае поднимало водительское стекло (Авто). Таков алгоритм по КАН.
much_beer писал(а):первый автозапуск - сработала сирена. последующие - все норм.

Зажигание по КАН включили? отключите по КАН, подключите по аналогу.
much_beer писал(а):периодически срабатывает датчик наклона.
настройки чуйки по умолчанию
закреплен горизонтально за зеркалом (на "шелкографию"), 6 см от верха, антенной налево (смотреть с места водителя).

Я установил вертикально вдоль водительской стойки, кончик антенки тоже на скотче ЗМ, прошло уже пол дня(машину забирают через час), ложных сработок нет.
С уважением! Александр.
Аватара пользователя
alec67
 
Сообщения: 2546
Зарегистрирован: Пн 18 апр, 2011 19:49
Откуда: Мирный, Архангельская область
Система: Е90GSM\GPS Телематика 2.0
Модель авто: ВАЗ21099i
Год выпуска: 2003
Двигатель: 2111 бензин
Тип КПП: МКПП
Статус: установщик

Re: StarLine A94 (Toyota-Corolla, МКПП, 2008 г.в.)

Сообщение much_beer » Ср 21 авг, 2013 6:14

alec67 писал(а):Аналогично. Только в моем случае поднимало водительское стекло (Авто). Таков алгоритм по КАН.

Возможно, т.к. было открыто только водительское окно :)

alec67 писал(а):Зажигание по КАН включили? отключите по КАН, подключите по аналогу.

Это точно необходимо? Мне, чтобы достать модуль, надо полторпеды разобрать/размотать... :(
Можно поподробней про алгоритм работы по CAN и по аналогу (в чем принципиальные отличия "контроля зажигания")?

alec67 писал(а):Я установил вертикально вдоль водительской стойки, кончик антенки тоже на скотче ЗМ, прошло уже пол дня(машину забирают через час), ложных сработок нет.

У меня сработал на второй день, причем срабатывает хз когда (живет своей жизнью этот датчик).
Вчера посмотрел настройки, чуйка на 2, т.е. почти максимально. Поставил еще выше (на 1, максимально). Наблюдаю. Отпишу.
Думаю, кончик антенны на скотч - правильное решение ;)

___
И да... разработчикам охранной системы, неплохо бы отключать вообще персональный код (по умолчанию).
Захотел - включил, настроил. А так, получается, на всех сигах он один :(
much_beer
 
Сообщения: 15
Зарегистрирован: Сб 17 авг, 2013 23:22
Откуда: Кузбассград
Система: starline a94
Модель авто: toyota-corolla
Год выпуска: 2008
Двигатель: 1,6
Тип КПП: МКПП
Статус: пользователь

Re: StarLine A94 (Toyota-Corolla, МКПП, 2008 г.в.)

Сообщение романыч48 » Ср 21 авг, 2013 9:57

much_beer писал(а):чтобы достать модуль, надо полторпеды разобрать/размотать...
Зачем?
Можно просто инструкцию чуть почитать :D .
Отключить или включить функции в КАН можно програмно :)
Аватара пользователя
романыч48
 
Сообщения: 2188
Зарегистрирован: Ср 18 авг, 2010 21:49
Откуда: ЕЛЕЦ
Система: А94GSM\GPS 2.0
Модель авто: Cитроен Берлинго
Год выпуска: 2006
Двигатель: БЕНЗИН
Тип КПП: МКПП
Статус: установщик

Re: StarLine A94 (Toyota-Corolla, МКПП, 2008 г.в.)

Сообщение much_beer » Ср 21 авг, 2013 10:14

романыч48 писал(а):
much_beer писал(а):чтобы достать модуль, надо полторпеды разобрать/размотать...
Зачем?
Можно просто инструкцию чуть почитать :D .
Отключить или включить функции в КАН можно програмно :)


Простой какой.. :)
То, что можно кан отключить, это я знаю (читаем выше, я отключил контроль капота).
Полторпеды разбирать необходимо для того, чтобы достать с модуля тот заветный аналоговый провод ;)

Вопрос по датчику наклона.
Читал, что не только у меня так, пишут это глюк данной модели (а94)!?
Некоторые умудряются его поменять по гарантии. Когда я покупал сигналку, мне сказали, что гарантия три года, НО! при одном условии... необходимо поставить ее в их центре, они заполнят спец графы в гарантийном талоне и тогда наступит гарантия. А т.к. я сам устанавливал сигналку, получается мне самому там заполнять? :) Получается и гарантии нет или?
Отошел от вопроса: - Как проверить работоспособность модуля?

ПС: закономерность. датчик срабатывает каждый час.

и да, зачем отключать кан и цеплять аналог (зажигания)?
much_beer
 
Сообщения: 15
Зарегистрирован: Сб 17 авг, 2013 23:22
Откуда: Кузбассград
Система: starline a94
Модель авто: toyota-corolla
Год выпуска: 2008
Двигатель: 1,6
Тип КПП: МКПП
Статус: пользователь

Re: StarLine A94 (Toyota-Corolla, МКПП, 2008 г.в.)

Сообщение alec67 » Ср 21 авг, 2013 13:24

Добрый день!
much_beer писал(а): зачем отключать кан и цеплять аналог (зажигания)?

Лично мое мнение....на некоторых авто при АЗ или ДЗ сигнализация по КАН видит зажигание с запозданием отсюда и конфликт. Вы посмотрели как открывается багажник Короллы с брелка? Сколько секунд от нажатия до исполнения? Как то так :roll:
much_beer писал(а):Читал, что не только у меня так, пишут это глюк данной модели (а94)!?

Нет сейчас такой проблемы.В первых партиях Е60, 90 и А94 встречались экземпляры с капризными датчиками. Последние А94 устанавливал из серии W211......... Ни одной проблемной.
much_beer писал(а):Некоторые умудряются его поменять по гарантии. Когда я покупал сигналку, мне сказали, что гарантия три года, НО! при одном условии... необходимо поставить ее в их центре, они заполнят спец графы в гарантийном талоне и тогда наступит гарантия. А т.к. я сам устанавливал сигналку, получается мне самому там заполнять? Получается и гарантии нет или?

Гарантия не зависит от заполненного талона. Обратитесь в любой СЦ СтарЛайн, модуль проверят и при необходимости поменяют бесплатно.
С уважением! Александр.
Аватара пользователя
alec67
 
Сообщения: 2546
Зарегистрирован: Пн 18 апр, 2011 19:49
Откуда: Мирный, Архангельская область
Система: Е90GSM\GPS Телематика 2.0
Модель авто: ВАЗ21099i
Год выпуска: 2003
Двигатель: 2111 бензин
Тип КПП: МКПП
Статус: установщик

Re: StarLine A94 (Toyota-Corolla, МКПП, 2008 г.в.)

Сообщение much_beer » Ср 21 авг, 2013 14:47

как определить серию? на коробке читать?
much_beer
 
Сообщения: 15
Зарегистрирован: Сб 17 авг, 2013 23:22
Откуда: Кузбассград
Система: starline a94
Модель авто: toyota-corolla
Год выпуска: 2008
Двигатель: 1,6
Тип КПП: МКПП
Статус: пользователь

Re: StarLine A94 (Toyota-Corolla, МКПП, 2008 г.в.)

Сообщение alec67 » Ср 21 авг, 2013 20:42

На коробке, на брелке под батарейкой, в гарантийнике :)
С уважением! Александр.
Аватара пользователя
alec67
 
Сообщения: 2546
Зарегистрирован: Пн 18 апр, 2011 19:49
Откуда: Мирный, Архангельская область
Система: Е90GSM\GPS Телематика 2.0
Модель авто: ВАЗ21099i
Год выпуска: 2003
Двигатель: 2111 бензин
Тип КПП: МКПП
Статус: установщик

Re: StarLine A94 (Toyota-Corolla, МКПП, 2008 г.в.)

Сообщение much_beer » Ср 13 ноя, 2013 7:02

Всех приветствую!
Прошло некоторое время эксплуатации сигналки и можно делать выводы.
В целом - устраивает. Раньше был шерхан-5, так это земля и небо (в плане помех и самое главное - мелочей, которых мне в нем не хватало).
Но есть ложка ...
В общем, подскажите че да как :)
Проблема в следующем, а вообще проблему долго набирать, давайте сразу вопросы.
1. после 4-попыток неудачного автозапуска, высвечивается надпись ОСТ и потом сбрасывается програмная нетраль, получается. что повторно с брелка не заведешь, т.к. при последующей попытке запуска, он пишет -ОСТ-, как будто не выполнена програмная нейтраль. это норм? как можно обойти?
2. если прокрутка стартера будет установлена на 6 сек., то при заводе авто на 2-й секунде, стартер автоматически перестанет крутить? (хотя это можно и проверить)
3. какую кнопку нажать, чтоб выдернув ключ и поставив авто на сигналку, авто продолжало работать?

Заранее благодарю!
much_beer
 
Сообщения: 15
Зарегистрирован: Сб 17 авг, 2013 23:22
Откуда: Кузбассград
Система: starline a94
Модель авто: toyota-corolla
Год выпуска: 2008
Двигатель: 1,6
Тип КПП: МКПП
Статус: пользователь

Re: StarLine A94 (Toyota-Corolla, МКПП, 2008 г.в.)

Сообщение романыч48 » Ср 13 ноя, 2013 10:35

much_beer писал(а):1. после 4-попыток неудачного автозапуска
надо сделать что бы авто заводилось с первого раза.
much_beer писал(а):3. какую кнопку нажать, чтоб выдернув ключ и поставив авто на сигналку, авто продолжало работать?
В инструкции есть, называется "охрана с заведеным двигателем"
Аватара пользователя
романыч48
 
Сообщения: 2188
Зарегистрирован: Ср 18 авг, 2010 21:49
Откуда: ЕЛЕЦ
Система: А94GSM\GPS 2.0
Модель авто: Cитроен Берлинго
Год выпуска: 2006
Двигатель: БЕНЗИН
Тип КПП: МКПП
Статус: установщик

Re: StarLine A94 (Toyota-Corolla, МКПП, 2008 г.в.)

Сообщение much_beer » Ср 13 ноя, 2013 13:45

романыч48 писал(а):надо сделать что бы авто заводилось с первого раза.


вот он, первый, но очень жирный плюс шерхану.
на предыдущем авто, если мороз за -35 и кол-во попыток не хватает, то можно повторно запустить цикл (не говоря про то, что количество циклов там можно менять)
а тут получается, 4 раза попробовала, если нет - то иди вручную заводи?
мда.. непродуманно...

морозы и за 40 бывают и заставить авто заводится с 4-х раз... хм..., прямо скажем, не просто...

а че с секундами прокрутки стартера? пробовать типо?
much_beer
 
Сообщения: 15
Зарегистрирован: Сб 17 авг, 2013 23:22
Откуда: Кузбассград
Система: starline a94
Модель авто: toyota-corolla
Год выпуска: 2008
Двигатель: 1,6
Тип КПП: МКПП
Статус: пользователь

След.

Вернуться в Самостоятельная установка

Кто сейчас на конференции

Сейчас этот форум просматривают: нет зарегистрированных пользователей и гости: 1