УльтраСтар - Автомобильные Системы Охраны, Системы Безопасности

StarLine Twage A8 не закрывает/открывает двери

StarLine Twage A8 не закрывает/открывает двери

Сообщение Leo174 » Вт 17 сен, 2013 9:52

Добрый день! Автомобиль ВАЗ 21144, двигатель бензиновый, руль левый, 2007 года выпуска, МКПП, сигнализация установлена на машину практически с его рождения сигнализация StarLine Twage A8.
Проблема такова - при нажатии на кнопку брелка открыть машину открывается только одна передняя пассажирская дверь, остальные в это время немного дернуться (пипки открывания) и не открываются, точно так же происходит при закрытии. Однако при заводе машины через авто запуск и последующем открытии открываются три двери, кроме водительской (на водительской пипка поднимается наполовину). Подскажите пожалуйста в чем причина?
Leo174
 
Сообщения: 7
Зарегистрирован: Вт 17 сен, 2013 9:38
Откуда: Челябинск
Система: StarLine Twage A8
Модель авто: ВАЗ 21144
Год выпуска: 2007
Двигатель: Бензиновый
Тип КПП: МКПП
Статус: пользователь

Re: StarLine Twage A8 не закрывает/открывает двери

Сообщение alec67 » Вт 17 сен, 2013 15:47

Добрый день! Актуатор водительской двери управляет переключателем центрального замка авто (он устанавливался дополнительно, с завода не установлен). Необходимо разобрать обшивку водительской двери и отрегулировать крепление тяги актуатора относительно тяги замка, а лучше поменять двухпроводный актуатор на пятипроводный и отдать ему функции управления центральным замком.
С уважением! Александр.
Аватара пользователя
alec67
 
Сообщения: 2546
Зарегистрирован: Пн 18 апр, 2011 19:49
Откуда: Мирный, Архангельская область
Система: Е90GSM\GPS Телематика 2.0
Модель авто: ВАЗ21099i
Год выпуска: 2003
Двигатель: 2111 бензин
Тип КПП: МКПП
Статус: установщик

Re: StarLine Twage A8 не закрывает/открывает двери

Сообщение Leo174 » Ср 18 сен, 2013 8:34

Доброго времени суток! Спасибо за ответ, буду пробовать. Я думал надо просто механизмы замков смазать т.к. до этого работало все хорошо, а потом по одной двери начало отказывать. Видать когда двери проклеивал эту тягу и сместил немного.
Leo174
 
Сообщения: 7
Зарегистрирован: Вт 17 сен, 2013 9:38
Откуда: Челябинск
Система: StarLine Twage A8
Модель авто: ВАЗ 21144
Год выпуска: 2007
Двигатель: Бензиновый
Тип КПП: МКПП
Статус: пользователь

Re: StarLine Twage A8 не закрывает/открывает двери

Сообщение alec67 » Ср 18 сен, 2013 12:11

Leo174 писал(а):Видать когда двери проклеивал эту тягу и сместил немного.
Вы наверное при проклейке придавили саму тягу привода. Поэтому актуатор не до конца отрабатывает и не дает штатному переключателю отработать в основном режиме.
С уважением! Александр.
Аватара пользователя
alec67
 
Сообщения: 2546
Зарегистрирован: Пн 18 апр, 2011 19:49
Откуда: Мирный, Архангельская область
Система: Е90GSM\GPS Телематика 2.0
Модель авто: ВАЗ21099i
Год выпуска: 2003
Двигатель: 2111 бензин
Тип КПП: МКПП
Статус: установщик

Re: StarLine Twage A8 не закрывает/открывает двери

Сообщение Leo174 » Ср 18 сен, 2013 12:14

Доброго времени суток еще раз! Произвел замену актуатора на пяти контактный в водительской двери и настроил планку тяги замка. Теперь водительская и пассажирская двери открываются и закрываются, а задние так и дергаются и не открываются, так же заметил что при закрытии пипки водительской двери вручную, запирание и отпирание остальных дверей перестало работать, а до этого работало. Как дальше бороться с этими дверями подскажите?!
Leo174
 
Сообщения: 7
Зарегистрирован: Вт 17 сен, 2013 9:38
Откуда: Челябинск
Система: StarLine Twage A8
Модель авто: ВАЗ 21144
Год выпуска: 2007
Двигатель: Бензиновый
Тип КПП: МКПП
Статус: пользователь

Re: StarLine Twage A8 не закрывает/открывает двери

Сообщение alec67 » Ср 18 сен, 2013 12:25

Leo174 писал(а):Теперь водительская и пассажирская двери открываются и закрываются, а задние так и дергаются и не открываются, так же заметил что при закрытии пипки водительской двери вручную, запирание и отпирание остальных дверей перестало работать, а до этого работало. Как дальше бороться с этими дверями подскажите?!
Только как земляку ( я родился и вырос в Троицке :D ) подскажу по секрету! Вскрывайте обшивки задних дверей, смотрите актуаторы (на своем авто я поменял их через три года). Дополнительно посмотрите провода в переходе между кузовом и дверью в резиновой гофре (часто там они ломаются).
С уважением! Александр.
Аватара пользователя
alec67
 
Сообщения: 2546
Зарегистрирован: Пн 18 апр, 2011 19:49
Откуда: Мирный, Архангельская область
Система: Е90GSM\GPS Телематика 2.0
Модель авто: ВАЗ21099i
Год выпуска: 2003
Двигатель: 2111 бензин
Тип КПП: МКПП
Статус: установщик

Re: StarLine Twage A8 не закрывает/открывает двери

Сообщение Leo174 » Ср 18 сен, 2013 12:28

Спасибо буду смотреть :D. А то что ЦЗ перестал работать это нормально?
Leo174
 
Сообщения: 7
Зарегистрирован: Вт 17 сен, 2013 9:38
Откуда: Челябинск
Система: StarLine Twage A8
Модель авто: ВАЗ 21144
Год выпуска: 2007
Двигатель: Бензиновый
Тип КПП: МКПП
Статус: пользователь

Re: StarLine Twage A8 не закрывает/открывает двери

Сообщение alec67 » Ср 18 сен, 2013 12:32

Leo174 писал(а):. А то что ЦЗ перестал работать это нормально?
Нет не нормально :wink: Смотрите как подключили три провода управления от штатного переключателя.
С уважением! Александр.
Аватара пользователя
alec67
 
Сообщения: 2546
Зарегистрирован: Пн 18 апр, 2011 19:49
Откуда: Мирный, Архангельская область
Система: Е90GSM\GPS Телематика 2.0
Модель авто: ВАЗ21099i
Год выпуска: 2003
Двигатель: 2111 бензин
Тип КПП: МКПП
Статус: установщик

Re: StarLine Twage A8 не закрывает/открывает двери

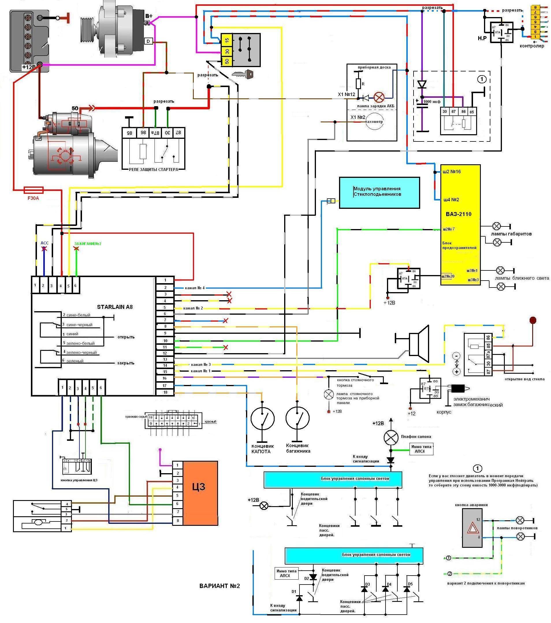
Сообщение alec67 » Ср 18 сен, 2013 12:38

Как то так :wink:
Вложения
Ваз2114Схема.jpg
(438.2 КБ) Скачиваний: 0
С уважением! Александр.
Аватара пользователя
alec67
 
Сообщения: 2546
Зарегистрирован: Пн 18 апр, 2011 19:49
Откуда: Мирный, Архангельская область
Система: Е90GSM\GPS Телематика 2.0
Модель авто: ВАЗ21099i
Год выпуска: 2003
Двигатель: 2111 бензин
Тип КПП: МКПП
Статус: установщик

Re: StarLine Twage A8 не закрывает/открывает двери

Сообщение Leo174 » Ср 18 сен, 2013 18:59

Добрый вечер! С ЦЗ разобрался теперь все двери срабатывают, но задние так и не закрывались! Снял обшивки с задних дверей, купил новые актуаторы (электроприводы замков), прозвонили провода контакт есть, поменяли, а толку нет :( . Работают так как будто им мощности не хватает закрыть или открыть дверь, рукой помогаешь с легка, сразу срабатывает. Короче методом тыка и регулированием в разных местах тяг механизма замка, подгибанием и выпрямлением крючков, перемещением в другое место актуаторов, и 4-ем часам возни, вроде сделал. Собрал обшивку, закрываю машину, а замки опять не закрылись :wall: . Теперь работают раз через раз, но это лучше чем до того как было. Александр огромное спасибо за помощь :beer: !
Leo174
 
Сообщения: 7
Зарегистрирован: Вт 17 сен, 2013 9:38
Откуда: Челябинск
Система: StarLine Twage A8
Модель авто: ВАЗ 21144
Год выпуска: 2007
Двигатель: Бензиновый
Тип КПП: МКПП
Статус: пользователь

Re: StarLine Twage A8 не закрывает/открывает двери

Сообщение Старик » Ср 18 сен, 2013 21:45

Leo174 писал(а): Собрал обшивку, закрываю машину, а замки опять не закрылись :wall: . Теперь работают раз через раз, но это лучше чем до того как было.

Еще один совет от человека, отъездившего на ВАЗ-09 1988 года выпуска 11 лет. Отличный автомобиль, только руки к нему надо прикладывать регулярно. И желательно с головой.
Итак - разберите обшивки задних дверей еще раз и ВЫКОВЫРНИТЕ круглые колечки-пружинки -торсионы в качалке (такой уголок, передающий усилие горизонтальной тяги на вертикальную тягу "Пипки"). Крепится качалка гайкой М8 под ключ 13, расположена в передней верхней части двери под "пипкой". Пипку надо будет скрутить с тяги, чтобы она смогла опуститься в дверь. Затем гнем горизонтальную тягу, чтобы вытащить качалку на свет божий (можно тягу и отцепить от механизма замка, только потом цеплять обратно проблемно, не потеряйте шайбочку, стоящую на тяге под пипкой, чтобы пипка имела упор при её накручивании на тягу). Когда найдете и выковырните колечко, о котором я говорю (оно в качалке одно такое - ни с чем не спутаете), можете попытаться обнаружить подобное колечко и в МЕХАНИЗМЕ ЗАМКА (той части, что внутри двери). Если их найдете и удалите - тогда электроприводам станет еще легче, чем после удаления из качалок. А если снимете замки, отмоете их соляркой и смажете трущиеся части фиолом, то КЛАЦАТЬ замки будут - как Вам и не снилось. Если будете разбирать замки - советую заодно и привод НАРУЖНЫХ ручек подточить, смазать и отрегулировать, чтобы работали мягко и без усилия на рычаге. Удачи.
Старик
 
Сообщения: 1763
Зарегистрирован: Вт 22 мар, 2011 23:21
Откуда: Железногорск Красноярского края
Система: Pandora, StarLine
Модель авто: Toyota Ipsum
Год выпуска: 2001
Двигатель: бензин
Тип КПП: АКПП
Статус: установщик

Re: StarLine Twage A8 не закрывает/открывает двери

Сообщение Leo174 » Чт 19 сен, 2013 10:40

Уже как то не охота там ковыряться, но я попробую, после отпишусь!
Leo174
 
Сообщения: 7
Зарегистрирован: Вт 17 сен, 2013 9:38
Откуда: Челябинск
Система: StarLine Twage A8
Модель авто: ВАЗ 21144
Год выпуска: 2007
Двигатель: Бензиновый
Тип КПП: МКПП
Статус: пользователь

Re: StarLine Twage A8 не закрывает/открывает двери

Сообщение alec67 » Чт 19 сен, 2013 20:22

Ждем! :wink:
С уважением! Александр.
Аватара пользователя
alec67
 
Сообщения: 2546
Зарегистрирован: Пн 18 апр, 2011 19:49
Откуда: Мирный, Архангельская область
Система: Е90GSM\GPS Телематика 2.0
Модель авто: ВАЗ21099i
Год выпуска: 2003
Двигатель: 2111 бензин
Тип КПП: МКПП
Статус: установщик

Re: StarLine Twage A8 не закрывает/открывает двери

Сообщение Leo174 » Пт 20 сен, 2013 8:28

Доброго времени суток! Нашел банальную причину из чего замки работали раз через раз - оказывается когда поставил обшивку на место и прикрутил обратно пипки (а они декоративные :) ), закрутил их слишком сильно, и когда замок срабатывал эта самая декоративная пипка мешала закрыться до конца замку, застревала там и так же мешала открывать его. Открутил немного их и все стало работать как по маслу, но замки я смазывать и разбирать не стал, единственное что сделал - это WD - 40 брызнул на все механизмы из нутри двери. Проблема устранена, огромное спасибо всем кто помогал :good: . Наверное тему можно закрыть.
Leo174
 
Сообщения: 7
Зарегистрирован: Вт 17 сен, 2013 9:38
Откуда: Челябинск
Система: StarLine Twage A8
Модель авто: ВАЗ 21144
Год выпуска: 2007
Двигатель: Бензиновый
Тип КПП: МКПП
Статус: пользователь

Re: StarLine Twage A8 не закрывает/открывает двери

Сообщение alec67 » Пт 20 сен, 2013 13:26

Leo174 писал(а):огромное спасибо всем кто помогал

Всегда на связи! Пожалуйста :)
С уважением! Александр.
Аватара пользователя
alec67
 
Сообщения: 2546
Зарегистрирован: Пн 18 апр, 2011 19:49
Откуда: Мирный, Архангельская область
Система: Е90GSM\GPS Телематика 2.0
Модель авто: ВАЗ21099i
Год выпуска: 2003
Двигатель: 2111 бензин
Тип КПП: МКПП
Статус: установщик


Вернуться в Серия А (A9, A8, A6)

Кто сейчас на конференции

Сейчас этот форум просматривают: нет зарегистрированных пользователей и гости: 4