УльтраСтар - Автомобильные Системы Охраны, Системы Безопасности

нужно подключить 6 активаторов(Starline) к B9Dialog

нужно подключить 6 активаторов(Starline) к B9Dialog

Сообщение abivan » Чт 05 июл, 2012 15:36

5 дверей + люк бензобака. По схеме двуступенчатого отпирания. Нужны ли внешние реле? Если да схемку бы глянуть если есть.
abivan
 
Сообщения: 24
Зарегистрирован: Чт 08 май, 2008 21:10
Откуда: МО (Зеленоград)
Система: B9 Dialog
Модель авто: Mercedes W123
Год выпуска: 1984
Двигатель: Дизель
Тип КПП: АКПП
Статус: пользователь

Re: нужно подключить 6 активаторов(Starline) к B9Dialog

Сообщение Старик » Чт 05 июл, 2012 18:59

abivan писал(а):5 дверей + люк бензобака. По схеме двуступенчатого отпирания. Нужны ли внешние реле? Если да схемку бы глянуть если есть.

Если будет использоваться стандартная схема двухступенчатого отпирания (приведенная в инструкции по монтажу), то, разумеется Вам понадобится ОДНО дополнительное реле. Если Вы опасаетесь, за то, что будут-ли перегружены встроенные реле и есть-ли смысл вешать внешние, то отвечу Вам так. У Вас будет схема 1+5. Я неоднократно устанавливал по 5 электроприводов на автомобили-универсалы (4 двери+багажное отделение). Главное выполнить два условия: 1. электроприводы должны быть установлены так, чтобы не было ПЕРЕКОСОВ И ЗАКУСЫВАНИЯ тяг. Для этого тяги электроприводов должны идти параллельно штатным тягам, осевая линия электропривода быть также ПАРАЛЛЕЛЬНО штатной тяге и располагаться как можно ближе к штатной тяге, а штатный механизм тщательно "ОТРЕПЕТИРОВАН" - работать мягко, с минимальными усилиями. В отечественных авто я не ленюсь удалять пружинки механизма фиксации тяг в положениях откр/закр, особенно в задних дверях ВАЗ-классики и ВОЛГ (их там ДВА - в замке и в качалке-промежуточной опоре), подгибаю штатные тяги так, чтобы ОНИ МИНИМАЛЬНО ЗАТИРАЛИСЬ в направляющих (если они есть), а если надо - мою, чищу и смазываю замки заново (на старых авто - обязательная процедура за деньги клиента). Все это делается С ОДНОЙ ЦЕЛЬЮ - уменьшить токи, потребляемые электроприводами при запирании/отпирании замков.
2. заменить штатные предохранители 10А на предохранители 15А.
Сделано не один десяток таких авто - побочных эффектов не обнаружено. Дорожки в блоке сигнализации сгорали только один раз - на Волге стоял шатный ЦЗ, но родной блок управления ЦЗ отсутствовал на момент приезда авто на установку сигнализации. На заводе провода в левой задней двери положили ЧЕРЕЗ острую кромку закраины, изоляцию со временем прорезало и один из проводов лег на массу. Но всплыло все это, когда дорожка на плате сгорела одновременно с предохранителем 15А через несколько месяцев эксплуатации авто. После ремонта и перепрокладки провода в двери возврата не было. :D
Старик
 
Сообщения: 1763
Зарегистрирован: Вт 22 мар, 2011 23:21
Откуда: Железногорск Красноярского края
Система: Pandora, StarLine
Модель авто: Toyota Ipsum
Год выпуска: 2001
Двигатель: бензин
Тип КПП: АКПП
Статус: установщик

Re: нужно подключить 6 активаторов(Starline) к B9Dialog

Сообщение Иван Поважнюк » Чт 05 июл, 2012 19:04

Добрый день.
Все конечно хорошо. Но если память мне не изменяет. На этом авто должен быть компрессор на ЦЗ.
Федеральная служба поддержки StarLine
8-800-333-80-30 Россия
8-10-8000-333-80-30 Белоруссия,
8-800-070-80-30 Казахстан
0-800-502-308 Украина
Круглосуточно. Звонок бесплатный.

Все подключения необходимо проверять, так как могут быть отличия и т.д.
Аватара пользователя
Иван Поважнюк
инженер ФСП StarLine
 
Сообщения: 20107
Зарегистрирован: Вс 15 фев, 2009 19:15
Откуда: Красноярск
Система: StarLine D94 GSM\GPS Slave
Модель авто: Suzuki Grand Vitara
Год выпуска: 2011
Двигатель: бензин
Тип КПП: AKПП
Статус: установщик

Сообщение abivan » Чт 05 июл, 2012 21:44

но ведь в моем случае, если посмотреть на схему двухшагового отпирания дверей то по линии закрыть в момент закрытия будет подаваться плюс на все 6 активаторов. Этот ток пройдет через внутреннее реле. Померил ток одного активатора в крайнем положении(секунды через 2 после подачи напряжения) - 3.2А(по паспорту 4А). Т.е. предполагается что за 0.7 сек(вариант1) ток через внутреннее реле не достигнет критического(15А) и не попалит контакты реле.
abivan
 
Сообщения: 24
Зарегистрирован: Чт 08 май, 2008 21:10
Откуда: МО (Зеленоград)
Система: B9 Dialog
Модель авто: Mercedes W123
Год выпуска: 1984
Двигатель: Дизель
Тип КПП: АКПП
Статус: пользователь

Re: нужно подключить 6 активаторов(Starline) к B9Dialog

Сообщение abivan » Чт 05 июл, 2012 21:49

Иван Поважнюк писал(а):Добрый день.
Все конечно хорошо. Но если память мне не изменяет. На этом авто должен быть компрессор на ЦЗ.

Если это сообщение для меня то компресоора у меня нет, а пневмозамки, работающие от вакуумника, были мною ликвидированы и заменены на активаторы.
abivan
 
Сообщения: 24
Зарегистрирован: Чт 08 май, 2008 21:10
Откуда: МО (Зеленоград)
Система: B9 Dialog
Модель авто: Mercedes W123
Год выпуска: 1984
Двигатель: Дизель
Тип КПП: АКПП
Статус: пользователь

Re: нужно подключить 6 активаторов(Starline) к B9Dialog

Сообщение shuma13 » Чт 05 июл, 2012 22:25

При закрывании реле будет тянуть все 6 приводов, а это более 19 А, если верить Вашим измерениям.
shuma13
 
Сообщения: 1106
Зарегистрирован: Вс 25 окт, 2009 22:56
Откуда: Россия
Откуда: Город-герой Тула
Система: DXL-3000
Модель авто: Renault Megane
Год выпуска: 2001
Двигатель: gasoline
Тип КПП: manual gearbox
Статус: установщик

Re: нужно подключить 6 активаторов(Starline) к B9Dialog

Сообщение Иван Поважнюк » Пт 06 июл, 2012 0:24

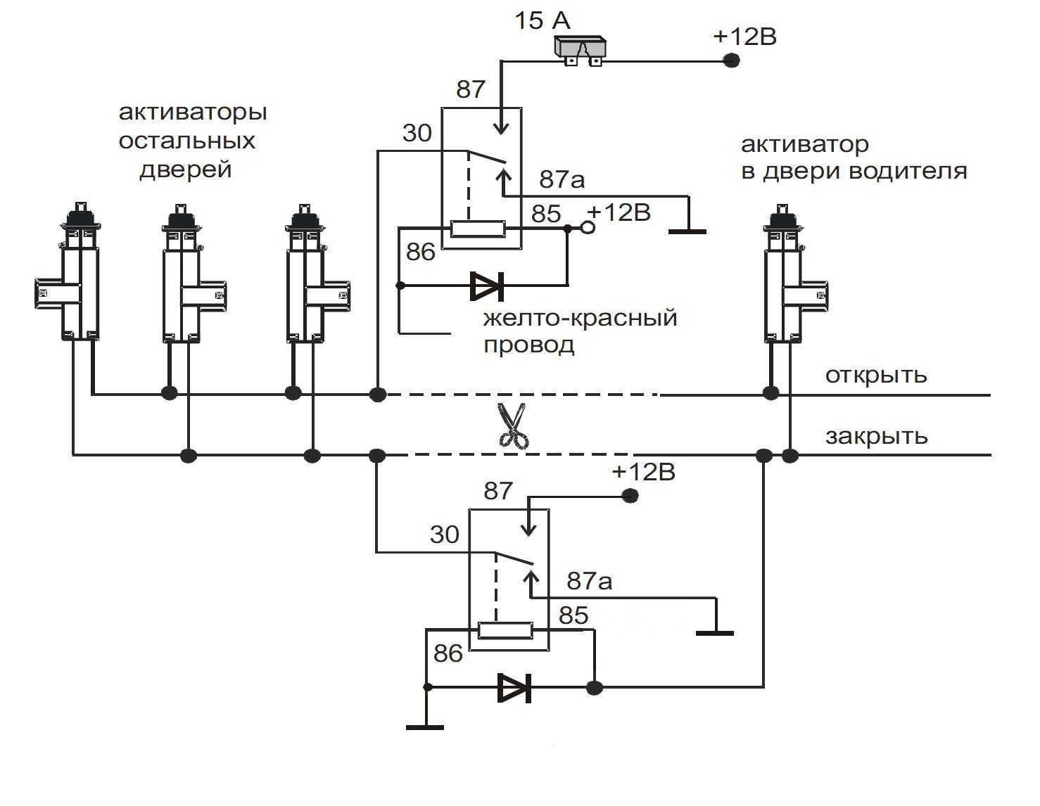
Снимок.JPG
Снимок.JPG (49.98 КБ) Просмотров: 8998
Можно так. При этом встроенные разводим по схеме с отрицательной полярностью.
Если немного переработать то от одного реле можно избавиться.
Федеральная служба поддержки StarLine
8-800-333-80-30 Россия
8-10-8000-333-80-30 Белоруссия,
8-800-070-80-30 Казахстан
0-800-502-308 Украина
Круглосуточно. Звонок бесплатный.

Все подключения необходимо проверять, так как могут быть отличия и т.д.
Аватара пользователя
Иван Поважнюк
инженер ФСП StarLine
 
Сообщения: 20107
Зарегистрирован: Вс 15 фев, 2009 19:15
Откуда: Красноярск
Система: StarLine D94 GSM\GPS Slave
Модель авто: Suzuki Grand Vitara
Год выпуска: 2011
Двигатель: бензин
Тип КПП: AKПП
Статус: установщик

Сообщение abivan » Пт 06 июл, 2012 11:54

спасибо всем ответившим за полное освещение темы. Есть и офиц ответ есть и неофиц. Теперь нужно прикинуть, а может быть и померить ток в активаторе в зависимости от времени. Хотя чем мерить проще, наверное, будет реле поставить, все равно одно уже стоит до кучи будет пара.
abivan
 
Сообщения: 24
Зарегистрирован: Чт 08 май, 2008 21:10
Откуда: МО (Зеленоград)
Система: B9 Dialog
Модель авто: Mercedes W123
Год выпуска: 1984
Двигатель: Дизель
Тип КПП: АКПП
Статус: пользователь

Re: нужно подключить 6 активаторов(Starline) к B9Dialog

Сообщение abivan » Пн 23 июл, 2012 12:20

Подключил по доработанной схеме, проверил работает.
Активаторы схема подключения 1.JPG
(104.54 КБ) Скачиваний: 0


картинку прямо в тему не смог(видимо прав нет)
abivan
 
Сообщения: 24
Зарегистрирован: Чт 08 май, 2008 21:10
Откуда: МО (Зеленоград)
Система: B9 Dialog
Модель авто: Mercedes W123
Год выпуска: 1984
Двигатель: Дизель
Тип КПП: АКПП
Статус: пользователь


Вернуться в Серия B (B9, B6)

Кто сейчас на конференции

Сейчас этот форум просматривают: нет зарегистрированных пользователей и гости: 8