Форум только для тех, кто устанавливает самостоятельно (не установщики).
Консультация установщиков категорически запрещена!
mashinev » Вс 28 авг, 2011 17:32
Здравствуйте подскажите пожалуйст схему подключения отпирания 2-х шаговое замков двери
сигнализация B9 диалог.
ниссан альмера классик полная комплектация. там уже установленна 2-х шаговое отпирание двери. но мастер поставил соленойд и все двери открываются олдновременно
-
mashinev
-
- Сообщения: 60
- Зарегистрирован: Вс 09 янв, 2011 21:40
- Откуда: Одинцово
- Система: А91 диалог
- Модель авто: Ниссан Кашкай
- Год выпуска: 2012
- Двигатель: бензин
- Тип КПП: АКПП
- Статус: пользователь
mashinev » Вс 28 авг, 2011 17:58
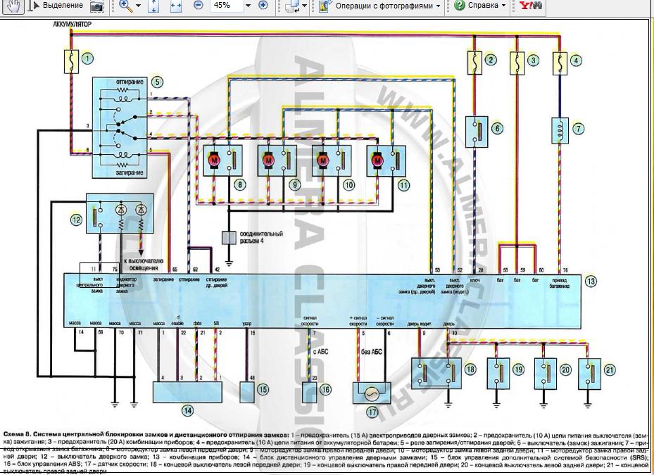
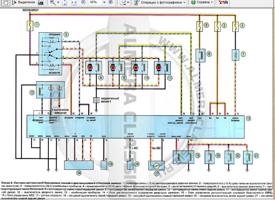
вот схема моей машины
- Вложения
-

- Новый точечный рисунок (2).jpg (116.24 КБ) Просмотров: 4419
-
mashinev
-
- Сообщения: 60
- Зарегистрирован: Вс 09 янв, 2011 21:40
- Откуда: Одинцово
- Система: А91 диалог
- Модель авто: Ниссан Кашкай
- Год выпуска: 2012
- Двигатель: бензин
- Тип КПП: АКПП
- Статус: пользователь
Иван Поважнюк » Вс 28 авг, 2011 23:22
Добрый вечер.
Как то так
Федеральная служба поддержки StarLine
8-800-333-80-30 Россия
8-10-8000-333-80-30 Белоруссия,
8-800-070-80-30 Казахстан
0-800-502-308 Украина
Круглосуточно. Звонок бесплатный.
Все подключения необходимо проверять, так как могут быть отличия и т.д.
-

Иван Поважнюк
- инженер ФСП StarLine
-
- Сообщения: 20107
- Зарегистрирован: Вс 15 фев, 2009 19:15
- Откуда: Красноярск
- Система: StarLine D94 GSM\GPS Slave
- Модель авто: Suzuki Grand Vitara
- Год выпуска: 2011
- Двигатель: бензин
- Тип КПП: AKПП
- Статус: установщик
-
mashinev » Пн 29 авг, 2011 15:28
спасибо попробую посмотреть
-
mashinev
-
- Сообщения: 60
- Зарегистрирован: Вс 09 янв, 2011 21:40
- Откуда: Одинцово
- Система: А91 диалог
- Модель авто: Ниссан Кашкай
- Год выпуска: 2012
- Двигатель: бензин
- Тип КПП: АКПП
- Статус: пользователь
Иван Поважнюк » Пн 29 авг, 2011 18:48
Пожалуйста.
Федеральная служба поддержки StarLine
8-800-333-80-30 Россия
8-10-8000-333-80-30 Белоруссия,
8-800-070-80-30 Казахстан
0-800-502-308 Украина
Круглосуточно. Звонок бесплатный.
Все подключения необходимо проверять, так как могут быть отличия и т.д.
-

Иван Поважнюк
- инженер ФСП StarLine
-
- Сообщения: 20107
- Зарегистрирован: Вс 15 фев, 2009 19:15
- Откуда: Красноярск
- Система: StarLine D94 GSM\GPS Slave
- Модель авто: Suzuki Grand Vitara
- Год выпуска: 2011
- Двигатель: бензин
- Тип КПП: AKПП
- Статус: установщик
-
Вернуться в Самостоятельная установка
Сейчас этот форум просматривают: нет зарегистрированных пользователей и гости: 7