Добрый день!
1.Зарядки АКБ 2.Давления масла 3.Тестирования АВС
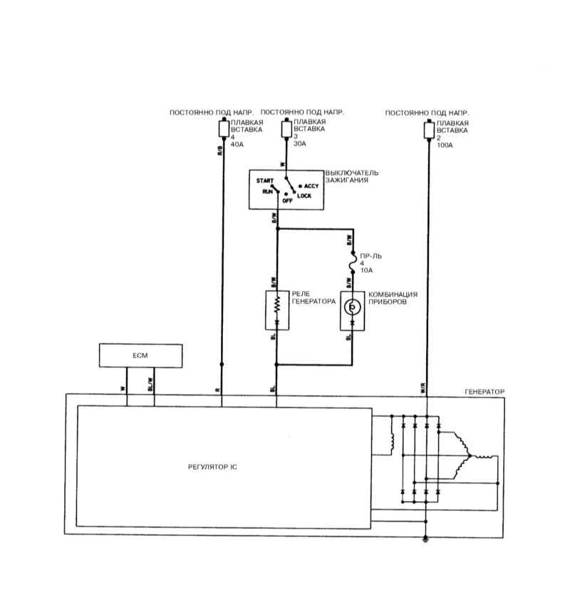
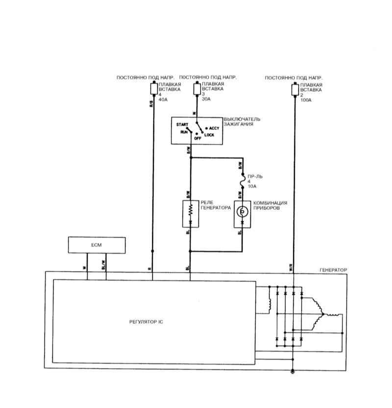
Предохранители исправны. К генератору подключены: +12V(кл 30) и
шлейф 4 провода.
1. Все эти лампы запитываются от щитка приборов. Поэтому проверьте щиток приборов на предмет подачи питания на лампы и сами лампы.
1.Как правило на генераторе 2 провода (кл 30 и 61) Здесь 5 проводов.
На одной аналогичной схеме видел, что эти провода подключены к блокам управления
двигателя и АКПП. Какие сигналы выдаются и их назначение?

- генератор галант.jpg (21.28 КБ) Просмотров: 2586
2. Если схема такая-же (скорее всего), то отсутствие питания на щитке приборов не позволит возбуждаться генератору.
Назначение проводов:
W(белый) и Bl/W(сине-белый) - запрос ЕСМ и подтверждение изменения напряжения генератора. Тип сигнала широтно-импульсная модуляция (генератором управляет ЕСМ, а не регулятор). При отказе этой цепи генератор переходит в аварийный режим 13.5В и фиксируется код ошибки.
R(красный) - постоянное питание регулятора.
BL(синий) - лампа генератора и резистор возбуждения (при отсуствии питания лампа не горит, генератор не работает)
Какая последовательность диагностики?
3. Проверять питания согласно схеме, когда найдете проблему с лампой генератора я думаю заработают и остальные.
Провода к ЕСМ боятся статики их лучше не трогать!