УльтраСтар - Автомобильные Системы Охраны, Системы Безопасности

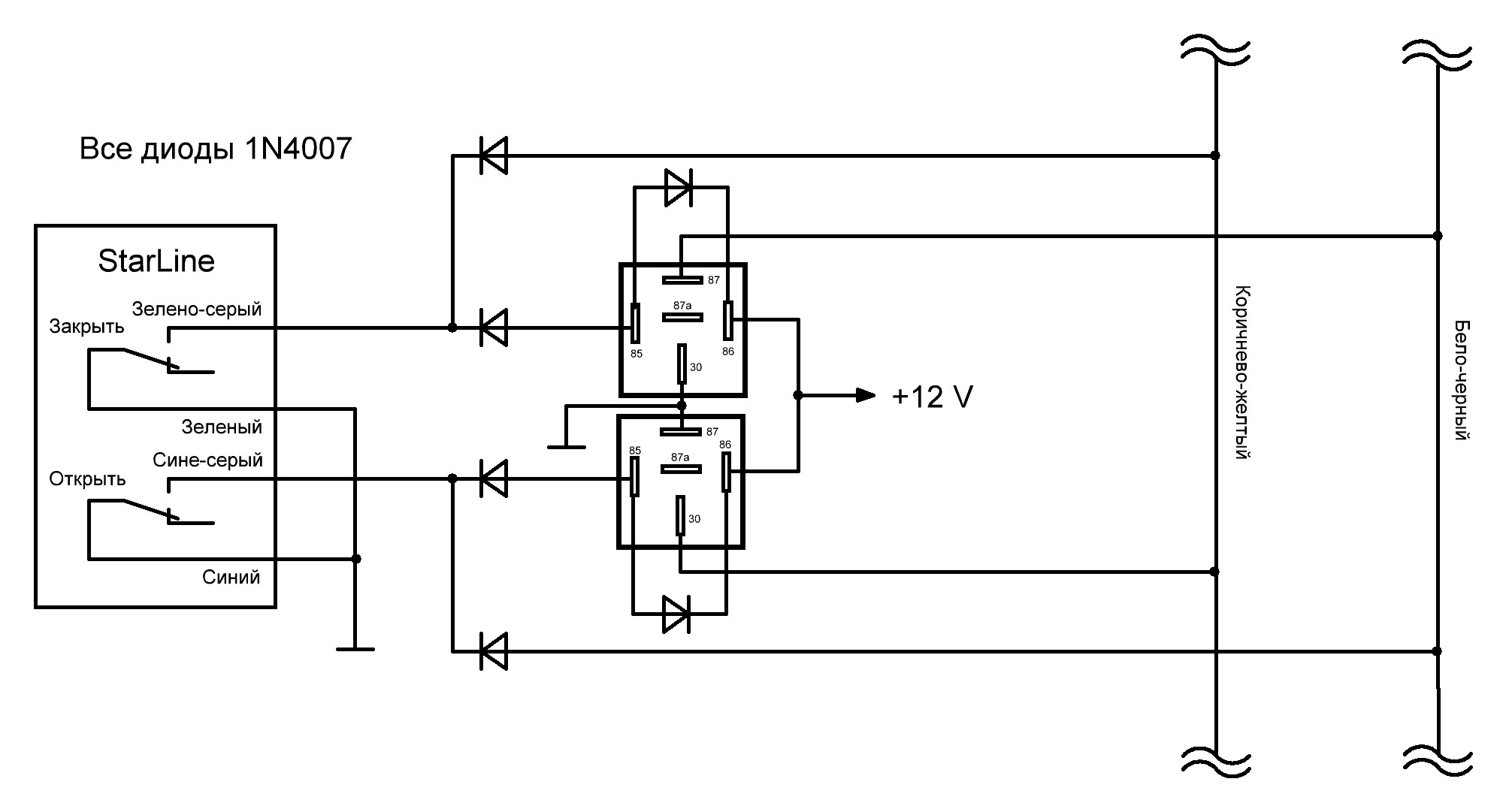
Подключение ЦЗ на BMW X3 до 2010 г.

Подключение ЦЗ на BMW X3 до 2010 г.

Сообщение Владислав Суслов » Пн 23 май, 2011 11:33

Подключения производятся в жгуте, выходящем из стойки водительской двери и находящемся в левой кик-панели.
Для реализации функции "комфорт" необходимо импульс на закрытие увеличить до 10- 15 секунд.
Вложения
ЦЗХ3.JPG
(140.95 КБ) Скачиваний: 0
Инженер федеральной службы поддержки StarLine 8-800-333-80-30
Звонок по России бесплатный

Сервисные центры StarLine
Аватара пользователя
Владислав Суслов
технический специалист StarLine
 
Сообщения: 297
Зарегистрирован: Сб 21 ноя, 2009 0:15
Откуда: Москва
Откуда: СпБ
Система: I95Lux
Модель авто: Astra
Год выпуска: 2008
Двигатель: бензин
Тип КПП: МКПП
Статус: установщик

Вернуться в Схемы для подключения сигнализаций

Кто сейчас на конференции

Сейчас этот форум просматривают: нет зарегистрированных пользователей и гости: 6