Здравствуйте,
boriszin!
boriszin писал(а):Суть проблемы в следующем. Имется Автомобиль Subaru Outback 2007 г.в. (2008 модельный год), двигатель бензин 2.5л, Коробка автомат, европеец (леворукий). На него установлена сигнализация Starline A91. Автомобилем владею год и он мне достался уже с установленной сигнализацией.
Надо полагать кнопка Start вместо ключа зажигания тоже в наличии.
boriszin писал(а): В общем все работеат хорошо, за исключением дистанционного запуска. Сам запуск работает, правда запускает автомобиль почему-то со второго раза (видно что первый раз сигнализация пытается завести авто по заженым стоп сигналам, после чего идет пауза в секунд 10 и удачный завод). Не напрягает, но интересно знать должно ли быть так?
Так как А91 является БЮДЖЕТНОЙ сигнализацией из линейки ДИАЛОГОВЫХ и создана на базе В9 (снята с производства давно), то на ряде автомобилей, у которых ТРЕБУЕТСЯ ПРОБУЖДЕНИЕ ЭЛЕКТРОНИКИ (подачей доп.импульса на кнопку START или открыванием дверей или еще как) есть такая проблема, а у А91 нет ГИБКОПРОГРАММИРУЕМЫХ каналов, то многие установщики НЕ ЗАМОРАЧИВАЮТСЯ организацией ПРОБУЖДЕНИЯ. Первая (и неудачная) попытка запуска и будет ПРОЦЕДУРОЙ ПРОБУЖДЕНИЯ. А их еще три - так что шансы завестись не сильно падают при потере одной из четырех попыток... Тут можно ничего не переделывать...
boriszin писал(а):Ачто напрягает так это когда открываешь при помощи брелока сигнализации предварительно удаленно заведенную машину, то когда я сажусь за руль и нажимаю педаль тормоза, в этот момент автомобиль глохнет и 3 раза моргают габаритки(поворотники). В это же время брелок пищит и говорит что нажата педаль тормоза. Такое ощущение что нет связи между автомобилем и сигнализацией. В свою очередь машина видит ключ-метку. Мог ли кто-нибудь сказать что это? Проблема сигнализации или неправильная установка?
Да - это проблема. НО не неисправность. Все работает штатно. Просто у Вас комплект сигнализаци, выпущенный ранее середины 2012 года и в нем НЕ ПРЕДУСМОТРЕН программный ПЕРЕХВАТ ЗАЖИГАНИЯ для автомобилей с кнопкой Start. При попытке поехать Вы нажимаете педаль ТОРМОЗА и сигнализация по её (сигнализации) алгоритму ДОЛЖНА ПЕРЕДАТЬ ЗАЖИГАНИЕ НА КЛЮЧ (на замок зажигания), но его у Вас нет... Сигнализация подает импульс на кнопку Start (отключая свое управление мотором) и мотор глохнет. На обычных автомобилях с обычным замком зажигания этого не случается, если человек ВСТАВИТ И ПОВЕРНЕТ КЛЮЧ в замке зажигания, ВКЛЮЧИВ все контакты замка ПАРАЛЛЕЛЬНО контактам реле сигнализации, через которые и заведен мотор. И когда сигнализация отключит свои контакты, мотор продолжает работать уже через контакты замка зажигания...
boriszin писал(а): Можно ли как-нибудь это исправить?
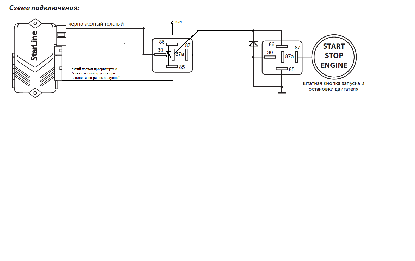
Да, можно, для этого надо подъехать к установщикам сигнализаций и попросить дооборудовать схему управления дополнительным реле по этой схеме.
Дополнительно надо будет запрограммировать канал4 (синий провод 18-контактного разъема) на сработку при снятии охраны и выключении зажигания на 40-50-60 сек. В течение этого времени с момента снятия охраны Вы сможете сесть и поехать БЕЗ ГЛУШЕНИЯ двигателя, если время будет упущено (чистили снег, усаживалю любимую тещу, пристегивали ремнями безопасности детей

) - достаточно еще раз нажать кн.2 брелока перед тем, как нажимать педаль тормоза перед началом движения.