УльтраСтар - Автомобильные Системы Охраны, Системы Безопасности

Замок капота Starline L 10

Обсуждение способов защиты автомобиля и выбор противоугонного комплекса

Re: Замок капота Starline L 10

Сообщение zt-fish » Пт 03 фев, 2012 17:38

Иван Поважнюк, да, Solaris (Accent) комфорт.
zt-fish
 
Сообщения: 7
Зарегистрирован: Чт 02 фев, 2012 14:34
Откуда: Киев
Система: n
Модель авто: Solaris
Год выпуска: 2011
Двигатель: Бензин
Тип КПП: МКПП
Статус: пользователь

Re: Замок капота Starline L 10

Сообщение Иван Поважнюк » Пт 03 фев, 2012 19:27

Есть 2а варианта.
Первый. На закрытие задействовать синий провод. Запрограммировав пункт 14 значение 3 или 4 на одну секунду.
Второй. Использовать импульс от системы на закрытие, развязав его диодами. Так как он у вас будет минусовой.
И тогда этого не будет происходить
zt-fish писал(а):я закрываю все замки, то и замок капота получится закрытым?
Федеральная служба поддержки StarLine
8-800-333-80-30 Россия
8-10-8000-333-80-30 Белоруссия,
8-800-070-80-30 Казахстан
0-800-502-308 Украина
Круглосуточно. Звонок бесплатный.

Все подключения необходимо проверять, так как могут быть отличия и т.д.
Аватара пользователя
Иван Поважнюк
инженер ФСП StarLine
 
Сообщения: 20107
Зарегистрирован: Вс 15 фев, 2009 19:15
Откуда: Красноярск
Система: StarLine D94 GSM\GPS Slave
Модель авто: Suzuki Grand Vitara
Год выпуска: 2011
Двигатель: бензин
Тип КПП: AKПП
Статус: установщик

Re: Замок капота Starline L 10

Сообщение zt-fish » Сб 04 фев, 2012 2:48

Спасибо.
Не могли бы вы разъяснить по второму варианту, может схему подключения.
Иван Поважнюк писал(а): Второй. Использовать импульс от системы на закрытие, развязав его диодами. Так как он у вас будет минусовой.


Ещё вопросик, каким независимым устройством кроме иммобилайзера, можно управлять открытием замка капота, напр. реле или ещё что-то?
zt-fish
 
Сообщения: 7
Зарегистрирован: Чт 02 фев, 2012 14:34
Откуда: Киев
Система: n
Модель авто: Solaris
Год выпуска: 2011
Двигатель: Бензин
Тип КПП: МКПП
Статус: пользователь

Re: Замок капота Starline L 10

Сообщение zt-fish » Сб 04 фев, 2012 3:20

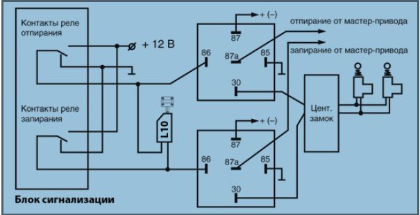
Ещё хотел спросить. Вот из инструкции по подключению L10
Вариант 1: управление от сигнализации с подключением
к центральному замку
Снимок.JPG
Снимок.JPG (35.4 КБ) Просмотров: 12547

При использовании данной схемы запирание/отпирание замка капота
происходит совместно с запиранием/отпиранием замков дверей.
Если у сигнализации активирована функция автоматического
управления замками дверей (например - при включении зажигания),
то при движении автомобиля замок капота может оказаться закрытым,
что противоречит требованиям безопасности при эксплуатации
транспортного средства.

Замок подключён параллельно ЦЗ. В этом случае ведь замок L10 управляется только от сигнализации и не зависит от закрытия/открытия ЦЗ из салона на двери водителя?
zt-fish
 
Сообщения: 7
Зарегистрирован: Чт 02 фев, 2012 14:34
Откуда: Киев
Система: n
Модель авто: Solaris
Год выпуска: 2011
Двигатель: Бензин
Тип КПП: МКПП
Статус: пользователь

Re: Замок капота Starline L 10

Сообщение Иван Поважнюк » Сб 04 фев, 2012 6:50

Добрый день.
zt-fish писал(а):и не зависит от закрытия/открытия ЦЗ из салона на двери водителя?
Да не зависит от этого.
zt-fish писал(а):Ещё вопросик, каким независимым устройством кроме иммобилайзера,
Если вы не планируете использовать иммо для открытия то только или доп каналом от системы, или по кнопке из салона.
ps. для простоты можно открытие подключить на канал №2 (желто-красный провод), тогда при нажатии открытия 2а раза будет открываться ЦЗ и замок.

zt-fish писал(а):по второму варианту,
Вложения
замок капота.JPG
замок капота.JPG (44.95 КБ) Просмотров: 12544
Федеральная служба поддержки StarLine
8-800-333-80-30 Россия
8-10-8000-333-80-30 Белоруссия,
8-800-070-80-30 Казахстан
0-800-502-308 Украина
Круглосуточно. Звонок бесплатный.

Все подключения необходимо проверять, так как могут быть отличия и т.д.
Аватара пользователя
Иван Поважнюк
инженер ФСП StarLine
 
Сообщения: 20107
Зарегистрирован: Вс 15 фев, 2009 19:15
Откуда: Красноярск
Система: StarLine D94 GSM\GPS Slave
Модель авто: Suzuki Grand Vitara
Год выпуска: 2011
Двигатель: бензин
Тип КПП: AKПП
Статус: установщик

Re: Замок капота Starline L 10

Сообщение zt-fish » Сб 04 фев, 2012 22:59

Спасибо
zt-fish
 
Сообщения: 7
Зарегистрирован: Чт 02 фев, 2012 14:34
Откуда: Киев
Система: n
Модель авто: Solaris
Год выпуска: 2011
Двигатель: Бензин
Тип КПП: МКПП
Статус: пользователь

Re: Замок капота Starline L 10

Сообщение Иван Поважнюк » Сб 04 фев, 2012 23:02

Пожалуйста.
Федеральная служба поддержки StarLine
8-800-333-80-30 Россия
8-10-8000-333-80-30 Белоруссия,
8-800-070-80-30 Казахстан
0-800-502-308 Украина
Круглосуточно. Звонок бесплатный.

Все подключения необходимо проверять, так как могут быть отличия и т.д.
Аватара пользователя
Иван Поважнюк
инженер ФСП StarLine
 
Сообщения: 20107
Зарегистрирован: Вс 15 фев, 2009 19:15
Откуда: Красноярск
Система: StarLine D94 GSM\GPS Slave
Модель авто: Suzuki Grand Vitara
Год выпуска: 2011
Двигатель: бензин
Тип КПП: AKПП
Статус: установщик

Re: Замок капота Starline L 10

Сообщение ivaskov1 » Пт 10 фев, 2012 12:33

Подскажите, как в случае неисправности замка открыть капот?
ivaskov1
 
Сообщения: 117
Зарегистрирован: Ср 03 мар, 2010 20:57
Откуда: г. Екатеринбург
Система: Starline B 94 GSM
Модель авто: MAZDA 3
Год выпуска: 2012
Двигатель: бензин
Тип КПП: АКПП
Статус: пользователь

Re: Замок капота Starline L 10

Сообщение Иван Поважнюк » Пт 10 фев, 2012 15:23

Добрый день.
ivaskov1 писал(а):как в случае неисправности замка открыть капот?

У него есть страховочный трос.
Федеральная служба поддержки StarLine
8-800-333-80-30 Россия
8-10-8000-333-80-30 Белоруссия,
8-800-070-80-30 Казахстан
0-800-502-308 Украина
Круглосуточно. Звонок бесплатный.

Все подключения необходимо проверять, так как могут быть отличия и т.д.
Аватара пользователя
Иван Поважнюк
инженер ФСП StarLine
 
Сообщения: 20107
Зарегистрирован: Вс 15 фев, 2009 19:15
Откуда: Красноярск
Система: StarLine D94 GSM\GPS Slave
Модель авто: Suzuki Grand Vitara
Год выпуска: 2011
Двигатель: бензин
Тип КПП: AKПП
Статус: установщик

Re: Замок капота Starline L 10

Сообщение ivaskov1 » Пт 10 фев, 2012 20:46

А трос страховочный от замка реально надежно спрятать - ведь угонщик наверняка знает, где установщики его ставят?
И еще вопрос - у меня на машине стоял ИММО 770-й - проблем не было. Но почему установщики мне его поставили (спрятали) в салон, а не под капот + замок? Как я понял - в салоне прятать ИММО нет смысла?
ivaskov1
 
Сообщения: 117
Зарегистрирован: Ср 03 мар, 2010 20:57
Откуда: г. Екатеринбург
Система: Starline B 94 GSM
Модель авто: MAZDA 3
Год выпуска: 2012
Двигатель: бензин
Тип КПП: АКПП
Статус: пользователь

Re: Замок капота Starline L 10

Сообщение Иван Поважнюк » Пт 10 фев, 2012 20:49

ivaskov1 писал(а): ведь угонщик наверняка знает, где установщики его ставят?
Кто мешает проявить фантазию ВАМ. Да и спрятать можно по разному.
ivaskov1 писал(а): Как я понял - в салоне прятать ИММО нет смысла?
Именно так.
ivaskov1 писал(а):Но почему установщики мне его поставили (спрятали) в салон,
К сожалению не знаю почему.
Федеральная служба поддержки StarLine
8-800-333-80-30 Россия
8-10-8000-333-80-30 Белоруссия,
8-800-070-80-30 Казахстан
0-800-502-308 Украина
Круглосуточно. Звонок бесплатный.

Все подключения необходимо проверять, так как могут быть отличия и т.д.
Аватара пользователя
Иван Поважнюк
инженер ФСП StarLine
 
Сообщения: 20107
Зарегистрирован: Вс 15 фев, 2009 19:15
Откуда: Красноярск
Система: StarLine D94 GSM\GPS Slave
Модель авто: Suzuki Grand Vitara
Год выпуска: 2011
Двигатель: бензин
Тип КПП: AKПП
Статус: установщик

Re: Замок капота Starline L 10

Сообщение ivaskov1 » Сб 11 фев, 2012 21:07

Спасибо.
Я хочу поставить - как Вы советовали замок капота, а ИММО прошу уточнить -62 или 92 и в чем их отличие и какую сигналку с кан-шиной или без для новой Мазды 3 - посоветуйте, какую лучше (автозапуск не нужен - стоимость не принципиальна)?
ivaskov1
 
Сообщения: 117
Зарегистрирован: Ср 03 мар, 2010 20:57
Откуда: г. Екатеринбург
Система: Starline B 94 GSM
Модель авто: MAZDA 3
Год выпуска: 2012
Двигатель: бензин
Тип КПП: АКПП
Статус: пользователь

Re: Замок капота Starline L 10

Сообщение Иван Поважнюк » Вс 12 фев, 2012 7:14

Добрый день.
По иммо я бы посоветовал i92.
С использованием его вы сможете оставлять авто в работающем состоянии на сколько угодно долго. И если кто то попытается поехать иммо не даст.
А с i62 так не получится.

По системе. Или А62can, или В62 (зависит от того кто будет ставить) возможно предложат докупить CAN. Можно CAN20.
Федеральная служба поддержки StarLine
8-800-333-80-30 Россия
8-10-8000-333-80-30 Белоруссия,
8-800-070-80-30 Казахстан
0-800-502-308 Украина
Круглосуточно. Звонок бесплатный.

Все подключения необходимо проверять, так как могут быть отличия и т.д.
Аватара пользователя
Иван Поважнюк
инженер ФСП StarLine
 
Сообщения: 20107
Зарегистрирован: Вс 15 фев, 2009 19:15
Откуда: Красноярск
Система: StarLine D94 GSM\GPS Slave
Модель авто: Suzuki Grand Vitara
Год выпуска: 2011
Двигатель: бензин
Тип КПП: AKПП
Статус: установщик

Re: Замок капота Starline L 10

Сообщение ivaskov1 » Вс 12 фев, 2012 12:48

Большое спасибо, еще хочу в перспективе маячок - какой лучше и есть смысл?
ivaskov1
 
Сообщения: 117
Зарегистрирован: Ср 03 мар, 2010 20:57
Откуда: г. Екатеринбург
Система: Starline B 94 GSM
Модель авто: MAZDA 3
Год выпуска: 2012
Двигатель: бензин
Тип КПП: АКПП
Статус: пользователь

Re: Замок капота Starline L 10

Сообщение Иван Поважнюк » Вс 12 фев, 2012 13:13

Добрый день.
ivaskov1 писал(а):какой лучше и есть смысл?
Смотря для какой цели.
Если только как МАЯК для поиска то М5, М10, М11.
Если для более широкого применения то можно М10+, М11+, М12 (ожидается выход, следите за новостями.)
Федеральная служба поддержки StarLine
8-800-333-80-30 Россия
8-10-8000-333-80-30 Белоруссия,
8-800-070-80-30 Казахстан
0-800-502-308 Украина
Круглосуточно. Звонок бесплатный.

Все подключения необходимо проверять, так как могут быть отличия и т.д.
Аватара пользователя
Иван Поважнюк
инженер ФСП StarLine
 
Сообщения: 20107
Зарегистрирован: Вс 15 фев, 2009 19:15
Откуда: Красноярск
Система: StarLine D94 GSM\GPS Slave
Модель авто: Suzuki Grand Vitara
Год выпуска: 2011
Двигатель: бензин
Тип КПП: AKПП
Статус: установщик

Пред.След.

Вернуться в Защищаем свой автомобиль

Кто сейчас на конференции

Сейчас этот форум просматривают: нет зарегистрированных пользователей и гости: 10