Если включить зажигание сразу после постановки на охрану и кнопка закрытия зеркал будет стоять в положение "открыто" произойдет К.З., как его избежать?
Возможно, ли реализовать запирание замков по нажатию на педаль тормоза?


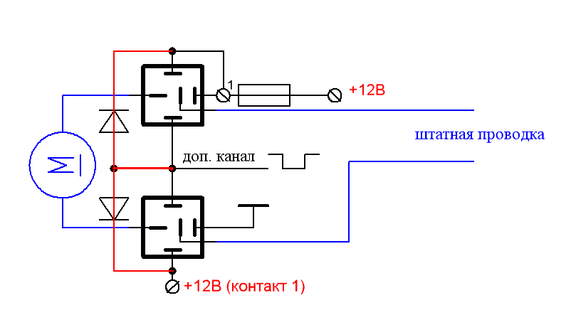
Михаил Чаусов писал(а):Так нельзя делать. Воспользуйтесь двумя реле, которые будут подавать питание на моторы и отсекать блок управления стеклами на время работы доп. канала.
Схему нарисовать?

tik-tak писал(а):Подскажите для чего соединение (выделил красным), ведь доп. канал сигнализации дает "-", а он соединен через диод с "+".

Михаил Чаусов писал(а):tik-tak писал(а):Подскажите для чего соединение (выделил красным), ведь доп. канал сигнализации дает "-", а он соединен через диод с "+".
Чтобы не сгорел доп. канал. Можете не ставить диоды, но советую придерживаться схемы.
про встречно-параллельный диод не забудьтеkola писал(а):Простой способ:подключить обмотку реле к доп каналу,второй вывод (обмотки реле)на +.

Сейчас этот форум просматривают: нет зарегистрированных пользователей и гости: 11